LM723CN Power Supply Circuits: A Deep Dive

B.Osunstate 125 views
LM723CN Power Supply Circuits: A Deep Dive

LM723CN Power Supply Circuits: A Deep Dive

Hey guys! Ever found yourself tinkering with electronics and needing a reliable power supply? Well, let’s talk about a true workhorse in the DIY power supply world: the LM723CN voltage regulator . This little chip has been around for ages, and for good reason. It’s incredibly versatile, robust, and can be configured in a bunch of different ways to meet your specific needs. Whether you’re building a bench power supply for your workshop, a custom power source for a specific project, or just want to understand how these things tick, the LM723CN is a fantastic starting point. In this article, we’re going to dive deep into the LM723CN power supply circuit , exploring its features, how it works, and how you can use it to create your own stable and efficient power sources. We’ll cover everything from basic configurations to more advanced tricks, so buckle up and let’s get started on building some awesome power supplies!

Understanding the LM723CN: The Heart of Your Power Supply

So, what exactly is the LM723CN? At its core, the LM723CN voltage regulator is a highly versatile integrated circuit designed for voltage regulation. It’s known for its wide input voltage range, which means you can feed it a pretty hefty voltage, and it’ll do its best to churn out a stable, usable output voltage. This flexibility is a huge part of why it’s remained so popular. It comes in a DIP (Dual In-line Package) package, typically with 14 pins, making it easy to breadboard or solder onto a PCB. One of the coolest things about the LM723CN is its internal circuitry. It houses a voltage reference, an error amplifier, a current-limiting circuit, and a series pass transistor (or at least the circuitry to drive an external one). This means you don’t need a whole bunch of external components just to get a basic regulated output. You can use it as a positive voltage regulator or a negative voltage regulator with some clever wiring, which really ups its adaptability.

Think about it: needing a stable 5V for a microcontroller project one day and a different voltage the next. The LM723CN can handle that. You can adjust the output voltage externally using resistors, giving you precise control. Plus, it has built-in protection features like current limiting, which is super important for protecting both your power supply and the device you’re powering from accidental overcurrent situations. This chip is built tough; it can handle significant power dissipation, especially when paired with an external pass transistor, allowing you to build supplies that can deliver substantial current. We’re talking about going from a simple, single-supply setup to more complex dual-tracking supplies, all centered around this one IC. This makes the LM723CN power supply circuit a cornerstone for hobbyists and engineers alike who need reliable, customizable power solutions without breaking the bank. Its internal architecture is designed for stability and precision, ensuring that your output voltage stays remarkably constant even as the input voltage fluctuates or the load current changes.

Basic LM723CN Power Supply Circuit: Getting Started

Alright, let’s get down to business and build a basic LM723CN power supply circuit . The simplest way to use the LM723CN is in a non-switching, linear regulator configuration. This is often called a series regulator because the regulator IC sits in series with the load, controlling the voltage that reaches it. For a standard positive voltage output, you’ll typically need a few external components. First off, you’ll need a power source, usually an unregulated DC voltage, which can come from a transformer and rectifier setup. The LM723CN can handle a wide input range, so don’t be afraid to give it a bit of headroom above your desired output voltage. You’ll also need a couple of resistors to set the output voltage. The LM723CN has a reference voltage (Vref) internally, usually around 7.15V. By using a voltage divider connected between the output and ground, with one resistor going to the Vref pin (which is often connected to the output of the internal reference), you can set your desired output voltage. The formula for this is quite straightforward: Vout = Vref * (1 + R1/R2), where R1 and R2 are the resistors in your voltage divider.

Beyond the resistors, you’ll want some capacitors. Input and output capacitors are crucial for filtering out ripple from your unregulated supply and for ensuring stability. A capacitor on the input helps smooth out any remaining AC ripple after rectification, while a capacitor on the output helps to reduce transient voltage spikes and improve the dynamic response of the regulator. You might also see a capacitor connected to the frequency compensation pin (often labeled as C_c or similar) to ensure stability under varying load conditions. This prevents oscillations, which can be a real nuisance. For higher current applications, the LM723CN has a dedicated pin to connect an external pass transistor (like a power NPN transistor, e.g., a TIP series transistor). This is a common practice because the internal pass element within the LM723CN has a limited current handling capability. By adding an external transistor, you can significantly boost the current output of your LM723CN power supply circuit . The LM723CN then acts as a controller, regulating the base current of the external transistor, which in turn delivers the main current to the load. This setup is incredibly effective for creating robust power supplies that can power more demanding devices.

Adjusting Output Voltage: Precision Control with LM723CN

One of the standout features of the LM723CN power supply circuit is its adjustability. Unlike some fixed-voltage regulators, the LM723CN lets you dial in the exact output voltage you need using a simple resistor network. This is where the magic of the internal voltage reference (Vref) really shines. As we touched on before, the LM723CN has an internal reference voltage, typically around 7.15 volts. This reference is the bedrock of your output voltage stability. To set your desired output voltage, you create a voltage divider circuit using two resistors, let’s call them R1 and R2. One end of this divider is connected to the regulator’s output (Vout), and the other is connected to ground. The junction between R1 and R2 is then connected to the LM723CN’s feedback (FB) pin. The internal circuitry of the LM723CN constantly compares the voltage at the FB pin to its internal Vref.

If the feedback voltage is lower than Vref, the regulator increases the output voltage. If it’s higher, it decreases it. This closed-loop system ensures that the output voltage is precisely regulated. The relationship between the output voltage and the resistor values is governed by the following formula: Vout = Vref * (1 + R1/R2) . Here, Vref is the internal reference voltage (approximately 7.15V), R1 is the resistor between Vout and the FB pin (or between Vout and the junction of R2), and R2 is the resistor between the FB pin and ground (or between the junction of R1 and ground).

For example, if you want a 5V output, you need to choose R1 and R2 such that 5V = 7.15V * (1 + R1/R2). You can rearrange this to solve for R1/R2. It’s often good practice to choose a value for R2 first, say 10k ohms, and then calculate R1. This prevents the feedback network from drawing too much current, which could affect the regulation. In this 5V example, you’d find R1 to be approximately 3.4k ohms. Many designers also include a potentiometer in series with R1 or R2 to allow for fine-tuning the output voltage, giving you a variable power supply. This adjustability makes the LM723CN power supply circuit incredibly versatile for prototyping and projects where specific voltage requirements might change. You can even use this same principle to create negative voltage regulators by referencing the output to a positive rail and using the LM723CN’s negative regulation capability.

Boosting Current: Using External Pass Transistors

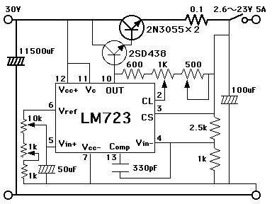
One of the most significant limitations of using the LM723CN solely by itself is its current handling capability. The internal pass element inside the LM723CN isn’t designed for high-current applications. If you try to draw too much current, it can overheat and even fail. Thankfully, the LM723CN was specifically designed with this in mind, featuring a dedicated pin (often labeled ’S’ for sense or for driving an external transistor) that allows you to connect an external pass transistor . This is a game-changer, transforming the LM723CN from a low-current regulator into the control element for a high-current power supply.

The most common way to implement this is by using an NPN power transistor, like those from the TIP series (e.g., TIP31, TIP41) or even beefier ones like the 2N3055, depending on how much current you need. In this configuration, the LM723CN acts as a driver for the base of the external transistor. The unregulated input voltage is connected to the collector of the external transistor, and the emitter is connected to your load (and the regulated output). The LM723CN senses the output voltage and adjusts the current it provides to the base of the external transistor to maintain the desired regulated voltage at the emitter.

There are a couple of common ways to connect the external transistor. One popular method is to connect the LM723CN’s output (which is usually internally connected to its own pass transistor’s collector) to the base of the external power transistor. The emitter of the external transistor then becomes your regulated output. Another approach involves using the LM723CN’s output to control the base of the external transistor directly, while the unregulated input is applied to the collector of the external transistor. The choice often depends on the specific datasheet recommendations and desired performance characteristics.

Regardless of the exact wiring, the principle remains the same: the LM723CN provides the precision control, and the external transistor handles the heavy lifting of delivering the required current. This LM723CN power supply circuit design is incredibly effective for building robust, adjustable power supplies capable of delivering several amps, making it ideal for powering amplifiers, motors, or charging batteries. Remember to properly heatsink the external pass transistor, as it will dissipate significant power, especially when there’s a large voltage drop across it and high current is flowing. Proper heatsinking is absolutely crucial for the longevity and stability of your high-current power supply.

Advanced Configurations: Dual Supplies and More

Now that we’ve covered the basics, let’s talk about taking your LM723CN power supply circuit designs to the next level with advanced configurations. The LM723CN is surprisingly versatile and can be configured to generate not only positive voltages but also negative voltages, and even combined positive and negative rails for dual-tracking power supplies. This is particularly useful for powering operational amplifiers (op-amps) or other circuits that require both positive and negative voltage supplies.

To create a negative voltage regulator using the LM723CN, you essentially invert the typical setup. You can configure the LM723CN to regulate a negative voltage relative to ground. This involves careful consideration of the input voltage polarity and how the feedback network is connected. Often, you’ll use a complementary PNP transistor as the external pass element when creating a negative supply. The internal reference voltage remains positive, but the feedback loop is arranged so that the circuit adjusts to maintain a stable negative output voltage. This might sound a bit counter-intuitive, but with the right schematic and understanding of how the error amplifier works, it’s quite achievable.

Perhaps one of the most sought-after advanced configurations is the dual-tracking power supply . This setup provides both a positive and a negative voltage that are symmetrical around ground (e.g., +12V and -12V). You can achieve this by using two LM723CN regulators. One is configured as a positive regulator, and the other is configured as a negative regulator. They can be designed to track each other, meaning that if you adjust the positive voltage, the negative voltage follows suit proportionally. This is achieved by linking their adjustment resistors in a specific way. This requires a bit more circuitry, including potentially separate unregulated input sources or a center-tapped transformer, but the result is a highly versatile power supply unit suitable for many audio or analog projects.

Another advanced use case involves creating switching power supplies or hybrid designs. While the LM723CN is primarily a linear regulator, its robust control circuitry and current-limiting features can sometimes be adapted or used in conjunction with switching elements. However, it’s more common to see it used in advanced linear regulator designs, such as those with very low dropout voltage requirements (though this is less its forte) or those needing exceptional ripple rejection. The core idea behind these advanced configurations is to leverage the LM723CN’s inherent stability and adjustable reference to build more complex and specialized power solutions. Building a dual LM723CN power supply for symmetrical rails is a classic project that offers immense practical value for any electronics enthusiast.

Tips and Tricks for a Stable LM723CN Power Supply

Alright guys, let’s wrap this up with some practical tips and tricks to ensure your LM723CN power supply circuit runs smoothly and reliably. First and foremost, component selection is key. Use high-quality capacitors, especially for the output filter, as they significantly impact ripple and transient response. Low-ESR (Equivalent Series Resistance) capacitors are often preferred here. When choosing resistors for your voltage-setting network, use components with low temperature coefficients to minimize voltage drift as the ambient temperature changes. For setting precise voltages, a potentiometer is great, but consider using a multi-turn trimmer for finer adjustment.

Heatsinking is non-negotiable, especially if you’re using an external pass transistor. Calculate the power dissipation of the pass transistor, which is roughly (Vin - Vout) * Iout. Ensure your heatsink is adequately sized to keep the transistor’s junction temperature well within its safe operating area. A thermal runaway condition can quickly destroy components. Don’t skimp on thermal paste either; it greatly improves heat transfer between the component and the heatsink.

Layout and grounding are also super important for stability. Keep the feedback loop traces as short as possible to minimize noise pickup. Use a solid ground plane on your PCB if you’re designing one. For breadboarding, ensure all connections are firm and direct. Consider adding a small capacitor (e.g., 0.1uF) in parallel with your output load to help filter high-frequency noise that might be present.

Current limiting is a lifesaver. The LM723CN has internal current limiting, but when using an external pass transistor, you might want to implement additional external current limiting for better protection. This could involve using a small resistor in series with the emitter of the pass transistor and monitoring the voltage drop across it to shut down or limit the output current. This is crucial for preventing damage to your power supply and the connected devices during short circuits or overloads. Finally, testing and verification are essential. Before connecting your valuable project, test the output voltage under no-load and full-load conditions. Check for excessive heat and measure ripple with an oscilloscope if possible. By following these tips, you’ll build a much more robust and reliable LM723CN power supply circuit . Happy building!