D2539 Transistor: Troubleshooting, Replacements, And More!

B.Osunstate 97 views
D2539 Transistor: Troubleshooting, Replacements, And More!

D2539 Transistor: A Comprehensive Guide

Hey there, electronics enthusiasts! Today, we’re diving deep into the world of the D2539 transistor . This little component is a workhorse in many circuits, and understanding it can be super helpful for all your projects. Whether you’re troubleshooting a faulty device, looking for a replacement, or just trying to expand your knowledge, this guide has got you covered. We’ll explore the D2539’s key features, how to identify its pins, find suitable replacements, and even where to find the all-important datasheet. Let’s get started, shall we?

Decoding the D2539 Transistor: What You Need to Know

So, what exactly is a D2539 transistor ? In a nutshell, it’s a type of transistor known as a PNP bipolar junction transistor (BJT) . This means it’s designed to control the flow of current. The PNP designation tells us a few things about its construction and how it operates. The D2539 is built with a layer of N-type semiconductor material sandwiched between two layers of P-type material. When a signal is applied to the base, it controls the current flow between the collector and emitter. Basically, it acts like an electronic switch or an amplifier, depending on how it’s used in a circuit. It’s a key component in electronic circuits because of its ability to switch or amplify electronic signals. This ability is crucial for functions such as signal amplification, switching, and voltage regulation. The D2539 transistor, specifically, has a certain set of characteristics that make it suitable for various applications. It’s important to understand these characteristics to properly integrate it into a circuit. This includes parameters such as its voltage and current ratings, as well as its switching speed and power dissipation capabilities. These parameters need to be within the safe operating area of the transistor to avoid damage. When incorporating a D2539 transistor, consider the context of the circuit it will be used in. For instance, in an amplifier circuit, the transistor’s ability to amplify a weak signal is essential. The gain of the transistor, which is the ratio of output current to input current, is a critical parameter. Another important consideration is the frequency response. The transistor should be able to operate at the required frequency without significant signal degradation. In a switching application, the transistor’s ability to quickly switch between on and off states is important. The switching speed of the transistor is therefore a critical parameter. Moreover, the on-state voltage drop and the off-state leakage current are important factors affecting the efficiency and performance of the circuit. In general, the D2539 transistor’s design and operating characteristics make it a versatile component suitable for a wide range of electronic applications, from small signal amplification to switching circuits. It’s also important to understand the different operating modes of a transistor, like active, saturation, and cutoff. Each mode has its own characteristics, and knowing which mode the transistor is operating in is critical for understanding its behavior within a circuit. Also, the D2539 transistor is known for its ability to efficiently handle current and voltage, making it a good fit for several applications. Because of its design, it offers a reliable performance. Proper selection, configuration, and operation of this transistor can significantly influence the performance and efficiency of the final electronic product. Further, it is important to consider the operating environment of the transistor, specifically its thermal characteristics. Overheating can seriously affect its performance and lifespan. Therefore, implementing measures to ensure that the transistor operates within its safe operating temperature range is important. The D2539 transistor can also be used for audio frequency amplification and low-power switching applications. It’s a pretty useful component to have in your electronics toolkit.

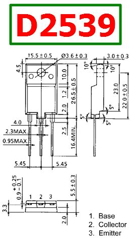
Pinout and Identification: Knowing Your D2539

Okay, let’s talk about the D2539’s pinout . This is crucial for connecting the transistor correctly in your circuit. The D2539 typically comes in a TO-126 package . This is a small, rectangular package with three leads. Looking at the flat side of the transistor, with the leads pointing down, the pinout is usually configured like this (but always double-check the datasheet to be sure):

  • Pin 1: Collector ©
  • Pin 2: Base (B)
  • Pin 3: Emitter (E)

It’s super important to connect the pins correctly, otherwise, your circuit won’t work, and you might even damage the transistor. A quick tip: You can often identify the pinout by looking at the markings on the transistor. Sometimes, there will be a small notch or dot near pin 1. But seriously, always consult the datasheet for the most accurate information. The datasheet provides a comprehensive overview of the transistor’s capabilities. It typically includes electrical characteristics such as the voltage and current ratings, gain, and switching speed. It also includes the pinout diagram, which is critical for correctly connecting the transistor into the circuit. The datasheet may also contain application notes and recommendations. These help in designing and implementing circuits that use the transistor. The datasheet also defines the maximum ratings of the transistor, such as the maximum collector current (Ic) and the maximum collector-emitter voltage (Vce). Exceeding these maximums can damage the transistor. The datasheet is essential for understanding the operational limits and correct handling of the D2539 transistor. You can find datasheets on websites like AllDataSheet and Octopart by simply searching for